Quý khách hàng là nhà máy gỗ hoặc đại lý phân phối? Xin vui lòng liên hệ >>> Tại đây
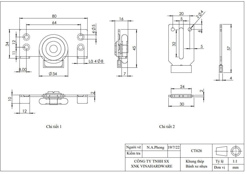
Bánh xe cửa lùa CT626-CT626
Bánh xe cửa lùa là một loại bánh xe thường được sử dụng để kết nối với cửa lùa của các tủ nội thất. Chúng có thiết kế nhỏ gọn và đơn giản nhưng rất hữu ích trong việc mở và đóng cửa một cách dễ dàng và êm ái. Dưới đây là một số thông tin chi tiết về các đặc điểm của bánh xe cửa lùa:
- Thiết kế nhỏ gọn: Bánh xe cửa lùa được thiết kế có kích thước nhỏ ngọn, đảm bảo rằng chúng không chiếm quá nhiều không gian và không làm mất đi diện tích sử dụng của tủ nội thất.
- Phần tiếp xúc với rãnh nhôm: Phần của bánh xe tiếp xúc với rãnh nhôm trên cửa lùa thường được chế tạo bằng vật liệu nhựa ABS. Điều này giúp chống mài mòn và bảo vệ cửa lùa khỏi sự hao mòn do tiếp xúc liên tục.
- Giảm tiếng ồn: Nhựa ABS cũng giúp giảm tiếng ồn khi bánh xe hoạt động và tiếp xúc với rãnh nhôm. Điều này làm cho việc mở và đóng cửa trở nên êm ái và không gây ồn ào khó chịu.
- Công dụng đa dạng: Bánh xe cửa lùa thường được sử dụng cho nhiều loại tủ nội thất có cửa lùa như tủ đựng quần áo, tủ bếp, hoặc tủ đựng đồ gia đình. Chúng cung cấp một giải pháp thuận tiện để di chuyển và truy cập vào nội dung của tủ một cách dễ dàng.
Có thể bạn quan tâm
>>> Đơn vị cung cấp các loại bản lề lá, bản lề bật giá tốt nhất
>>> So sánh giá các loại tay nắm phổ biến trên thị trường
>>> Danh sách các loại bulong ốc vít chất liệu tốt, giá thành hợp lý
Thông tin sản phẩm
- Vật liệu: thép
- Màu sắc: trắng
- Kích thước: lỗ khoét bánh 35mm
Bản vẽ chi tiết sản phẩm

Cách bảo dưỡng để vận hành bánh xe cửa lùa một cách hiệu quả
- Vệ sinh định kỳ: Cần vệ sinh định kỳ trong rãnh trên đường của bánh xe chạy nhằm loại bỏ đi các bụi bẩn. Việc này sẽ giúp bánh xoe hoạt động trơn tru không lo bị trật ray hay hư hỏng trong quá trình sử dụng.
- Kiểm tra và bôi trơn: Trong khi sử dụng, lực ma sát hay bánh bị bào mòn có thể khiến cửa không còn được trơn tru như trước. Cần kiểm tra và tra thêm dầu chuyên dụng vào bánh hoặc các khớp nối, rãnh cửa.
- Kiểm tra hệ thống treo: Cần kiểm tra hệ thống treo để đảm bảo hệ thống vẫn còn hoạt động tốt. Kiểm tra phần bản lề, ray trượt và các phụ kiện lắp ráp đi kèm để tránh tình trạng bị lỏng hay hư hỏng
- Không sử dụng quá tải: Việc này sẽ cần nói tới lựa chọn ban đầu. Bởi tùy theo loại cửa mà có những loại bánh phù hợp về khả năng chịu tải, tính thẩm mỹ và giá thành. Quý khách cần xem thông tin hoặc yêu cầu chuyên viên tư vấn kỹ lưỡng. Vì nếu không, trong quá trong sử dụng bánh xe có thể bị nứt, bể gây ảnh hưởng trưc tiếp đến cửa.
Hướng dẫn sử dụng / mô phỏng sản phẩm: Đang cập nhật
Sản phẩm liên quan:
- Các sản phẩm bánh xe cửa lùa liên quan
TIÊU CHUẨN CHẤT LƯỢNG VINAHARDWARE
NGUYÊN LIỆU: Đảm bảo đúng nguyên liệu khách hàng yêu cầu
QUY CÁCH:
Đúng tiêu chuẩn bản vẽ sản xuất
• Đúng biên dạng , không gãy gập , nứt
• Đúng quy cách, độ dày vật liệu chỉ định
• Đúng quy cách, kiểu dáng, biên dạng sau gia công
• Đúng theo bản vẽ, mẫu đối chứng
YÊU CẦU VỀ GIA CÔNG CƠ KHÍ
• Chất lượng hàn mài đảm bảo đường hàn kéo độ rộng không quá 0.4mm, độ cao không quá 0.1mm
• Trầy xước bề mặt đảm bảo đường xước không quá 40mm , độ sâu đường xước không nhìn thấy bằng mắt thường, nhìn nghiêng góc 45 độ sẽ thấy vết mờ nhưng sờ tay lên sẽ không thấy. Nhám P#240.
• Màu sắc sáng đều tại vị trí sau hàn -mài .Không chấp nhận bọt,xỉ hàn . Mối mài có dấu hiệu ố vàng do nhiệt hoá, mài không sạch.
KẾT CẤU
Kết cấu sản phẩm vững chắc, các liên kết bằng phẳng, không bị vênh.
CHẤT LƯỢNG BỀ MẶT CHI TIẾT
Độ láng mịn P#600.
+ Không trầy xước, không sọc nhám.
+ Không lỗi dợn sóng, không lóc vẩy cá.
+ Không lỗi xoáy vân ốc.
MÀU SẮC
Đúng theo thẻ màu chuẩn đã được xác nhận.
Không cháy cạnh.
Không đốm nền, da cam, thiếu màu.
Không đốm sơn do nhiệt.
CHẤT LƯỢNG SƠN/XI
Không tì vết, chảy sơn , chảy keo.
Đủ lớp , kín sơn ,không cháy sơn , cấn móp
Độ bóng , độ đồng màu theo chuẩn mẫu đối chứng .
Độ bám dính đạt tiêu chuẩn 120pixel ( tương ứng bám dính keo dán trong)
CAM KẾT TỪ HOA ĐẠT
Hoa Đạt hoạt động trong ngành phụ kiện ngành gỗ, dụng cụ công nghiệp với hơn 10 năm kinh nghiệm trong nghề. Hoa Đạt hiểu rằng việc đáp ứng kịp thời mẫu phụ kiện tương thích với từng dòng, từng kiểu dáng sản phẩm ngành gỗ nhằm phục vụ dây chuyền sản xuất công nghiệp hàng loạt của Quý Khách hàng là đặc biệt quan trọng.
Do đó, mỗi lô hàng đều được Hoa Đạt kiểm tra kĩ càng trước khi giao cho khách. Trường hợp hi hữu có sản phẩm bị lỗi hoặc phát sinh bất kì vấn đề nào ảnh hưởng đến chất lượng sản phẩm, hãy nhắn tin cho Hoa Đạt, Hoa Đạt sẽ giải quyết và đổi trả cho khách hàng nhanh nhất có thể!
ĐIỀU KIỆN ĐỔI TRẢ HÀNG
- Hóa đơn còn nguyên vẹn, không chấp vá hoặc tẩy xóa.
- Chưa qua sử dụng, không bị dơ bẩn và còn nguyên tem, nhãn mác.
- Hàng không đúng mẫu, không đủ bộ như quý khách đặt hàng
- Dịch vụ đổi hàng chỉ áp dụng cho cùng sản phẩm, nhưng khác màu, khác size.
Vui lòng liên hệ Hotline, Chat hoặc gởi mail về Hoa Đạt để được Hoa Đạt hỗ trợ tốt nhất vể điều kiện đổi trả hàng.
Xem thêm: Danh sách các sản phẩm tại Hoa Đạt